YAMAHA Drag Star FORUM
FAQFAQ  Mapa GoogleMapa Google  SzukajSzukaj  UżytkownicyUżytkownicy  GrupyGrupy
RejestracjaRejestracja  ZalogujZaloguj  AlbumAlbum  Chat  DownloadDownload

Poprzedni temat «» Następny temat
Przesunięty przez: ciecio
2019-03-07, 14:16
Stopka boczna - wyłącznie pracujacego silnika
Autor Wiadomość
3lna100 


Model: DS 650 Classic
Rocznik: 2001
Wiek: 51
Dołączył: 05 Maj 2015
Posty: 6
Skąd: Warszwa
Wysłany: 2019-03-07, 11:57   Stopka boczna - wyłącznie pracujacego silnika

Witam

Ogarniam swój motor DS 650 przed sezonem i pod koniec poprzedniego wystąpił taki problem -
Stopka złożona - silnik uruchomiony na luzie - pracuje normalnie, gdy chce go postawić na stopce gaśnie.

Gdzie szukać przyczyny?

Red
 
 
robert_p (vel Hipis) 



Model: SYMPATYK
Wiek: 57
Dołączył: 14 Cze 2013
Posty: 1882
Skąd: Rynarzewo
Wysłany: 2019-03-07, 12:30   

Powinien zgasnąć jak masz bieg włączony … Na luzie nie powinno się to dziać.
_________________
Hipis
 
 
3lna100 


Model: DS 650 Classic
Rocznik: 2001
Wiek: 51
Dołączył: 05 Maj 2015
Posty: 6
Skąd: Warszwa
Wysłany: 2019-03-07, 12:34   

Witam
Własnie o tym mowie motocykl na luzie, silnik pracuje, che postawić na stopce - gaśnie.

Red
 
 
kamikazze2 


Model: DS 1100 Custom
Rocznik: 2004
Wiek: 37
Dołączył: 13 Lis 2018
Posty: 4
Skąd: Gliwice
Wysłany: 2019-03-07, 12:47   

A kontrolka biegu jałowego świeci?

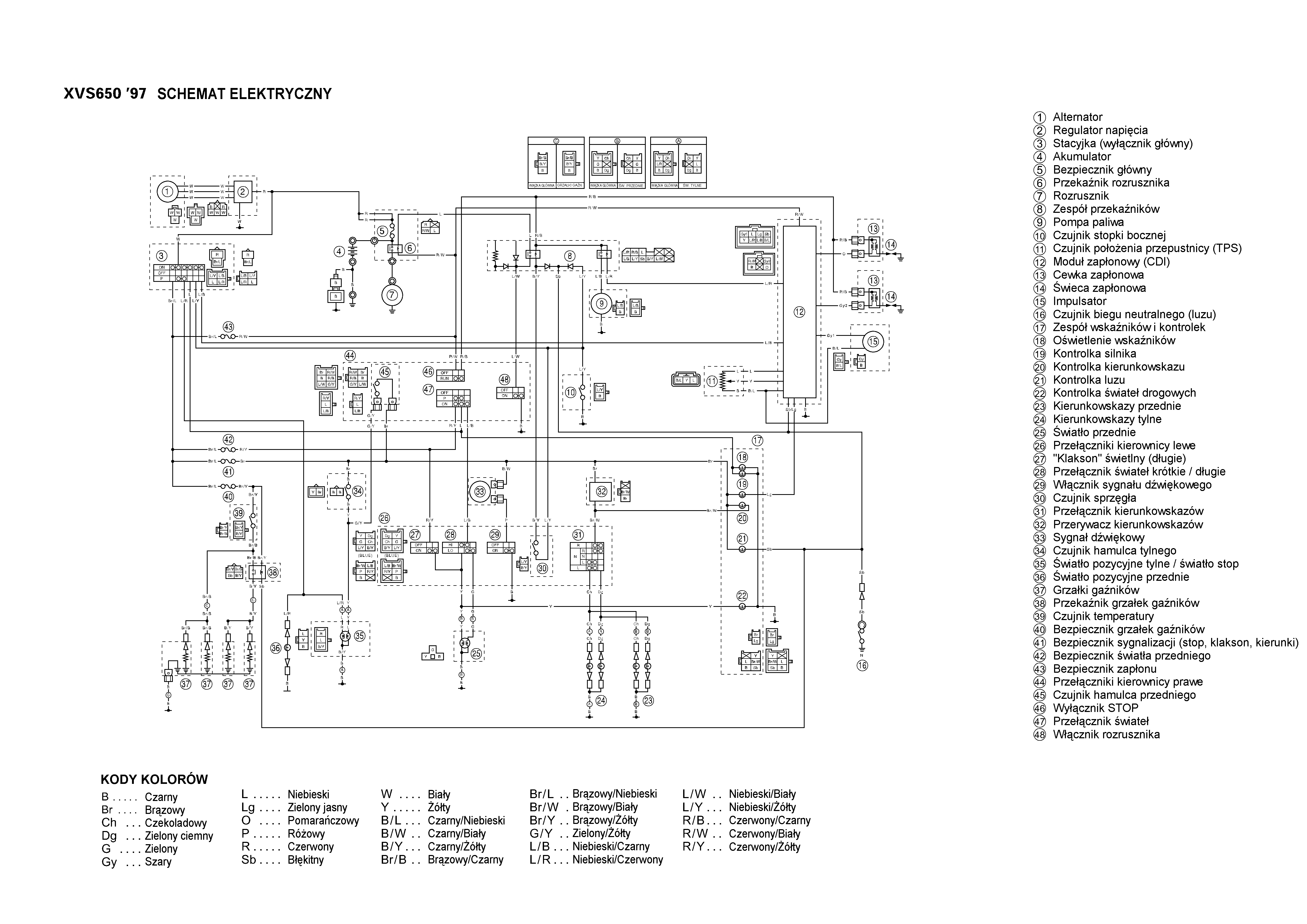
W załączniku masz schemat elektryki. Stopka jest pod numerem 15

ele_sche.pdf
Pobierz Plik ściągnięto 519 raz(y) 257.23 KB

 
 
3lna100 


Model: DS 650 Classic
Rocznik: 2001
Wiek: 51
Dołączył: 05 Maj 2015
Posty: 6
Skąd: Warszwa
Wysłany: 2019-03-07, 14:30   

Tak masz racje za pomniałem powiedzieć ze kontrolka biegu jałowego - cały czas świeci.
Zarówno jak stopka jest złożona i silnik pracuje na luzie, i jak jadę motocyklem tez kontrolka świeci cały czas - nie zmienia się z niebieskiego na zielony.

Red

[ Dodano: 2019-03-08, 19:01 ]
Witajcie draze dalej temat świecacej cały czas kontrolki biegu jałowego i stopki motocykla.

Trafilem na cos takiego -> http://yamaha-dragstar.pl...1132595f43adab1

"Problem rozwiązany :mistrz:
Szczegóły opiszę później, bo jestem nieco zmęczony po akcji,
ale zdradzę, że Nobody trafił idealnie - pkt. 1. Relay Unit.
(puchar dla Ciebie)"

http://yamaha-dragstar.pl/download.php?id=8321 na schemacie jest to pozycja 8 - zespół przekaznikow.
Moje pytanie gdzie znanjduje sie ? gdzie go szukac...

Red
 
 
Wyświetl posty z ostatnich:   
Odpowiedz do tematu
Nie możesz pisać nowych tematów
Nie możesz odpowiadać w tematach
Nie możesz zmieniać swoich postów
Nie możesz usuwać swoich postów
Nie możesz głosować w ankietach
Nie możesz załączać plików na tym forum
Możesz ściągać załączniki na tym forum
Dodaj temat do Ulubionych
Wersja do druku

Skocz do:  

Powered by phpBB modified by Przemo © 2003 phpBB Group